Capital Project Word of the Week - Process Engineering
Thank you for visiting our Capital Project Word of the Week website feature. Our theme this month is Process Engineering. We hope this provides you with some meaningful information about our industry and the services we provide. Each week we will be adding a new Word of the Week to the page. Come back frequently to see our new additions!
Week of January 25, 2021
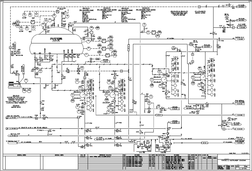
Piping and Instrumentation Diagram (P&ID)

[pahy-ping ] [ and ] [ in-struh-men-tey-shuhn ] [ dahy-uh-gram ]
A Piping and Instrumentation Diagram (P&ID) is a schematic drawing that depicts the configuration of equipment, piping, and instruments in a Process facility. P&IDs are similar to PFDs but more detailed. P&IDs typically include equipment icons, lines representing interconnecting piping, valving, and instruments used to control the process. P&IDs are essential documents because they provide a detailed accounting of the Process infrastructure present, enabling engineers to review safety, operability, and functional aspects of a facility’s design. Below is an example of a P&ID.

Word of the Week referrals will be entered into a monthly raffle. Every referral is an entry. Good luck and share on!
Subscribe to our newsletter below to get weekly Word of the Week updates! Have a word suggestion? Send your suggestions to wow@hm-ec.com.
---
Week of January 18, 2021
Hazard and Operability Study (HAZOP)
[haz-erd ] [ and ] [ op-er-uh-buhl-i-ty ] [ stuhd-ee ]
A Hazard and Operability Study (HAZOP) is an engineering review process commonly utilized to identify safety concerns in the design or operation of a facility. The design or modification of Process facilities typically includes a HAZOP, in which the overall system is broken into subsystems (nodes) that are scrutinized individually by a team of experts. The HAZOP team includes engineers familiar with both the design of the facility and the operation of its systems. During a HAZOP, team members may pose questions such as:

· What could cause the pressure in Node 1 to exceed its intended levels?
· What safeguards [controls, alarms, etc.] are in place to prevent or mitigate abnormally high pressure?
· What is the ultimate consequence of high pressure (injury to personnel, damage to equipment, environmental impact, etc.)?
The output from a HAZOP often includes a documented list of recommended design modifications to improve the safety of the plant.
Week of January 11, 2021
Process Simulation

[pros-es ] [ sim-yuh-ley-shuhn ]
A Process Simulation is a computer model used by engineers in the design of facilities such as Chemical Plants and Refineries. Simulation software can predict the behavior of equipment commonly found in Process facilities – as well as its effects on the materials being processed within. A common scenario entails an engineer providing a simulator with known input data– such as equipment design parameters and the connectivity of fluid streams. The simulator then calculates information of interest (e.g. the required power input to a pump). The output from a Process simulation might consist of a graphical flowsheet, plus tabulated thermophysical information about the material and energy streams in the system. Below is an example of a Process Simulation and its deliverables


Week of January 4, 2021
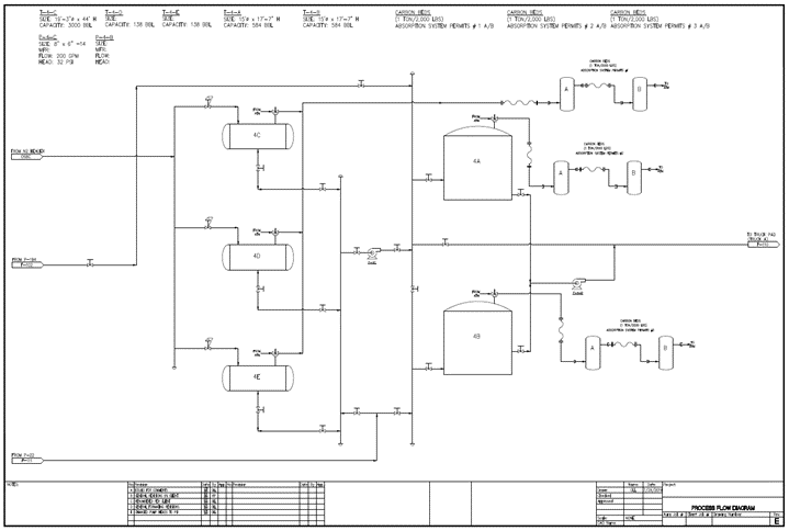
Process Flow Diagram (PFD)
[pros-es ] [ floh ] [ dahy-uh-gram ]

A Process Flow Diagram (PFD) is a simplified schematic that represents a Chemical or Process facility. Since Process facilities handle and process fluids (gases, liquids), a PFD typically includes icons for equipment such as tanks, pumps, and compressors – and their inter connecting fluid streams. The purpose of a PFD is to inform the reader about the equipment present in a plant and enable them to easily comprehend the system’s overall functionality. PFDs “tell a story” about the material feeds entering a facility, the sequence in which they are processed by different equipment units, and the resulting product streams. Below is an example of a PFD.





